Skip to content Skip to sidebar Skip to footer

Carrier Ac Outdoor Unit Wiring Diagram : How Do I Connect The Common Wire In A Carrier Air Handler Home Improvement Stack Exchange _ Plastic type and wire type.

Carrier Ac Outdoor Unit Wiring Diagram : How Do I Connect The Common Wire In A Carrier Air Handler Home Improvement Stack Exchange _ Plastic type and wire type.. Carrier ac outdoor unit wiring diagram. Ac and heat pump thermostat wiring sezeriya com. Goodman heat pump package unit wiring diagram new janitrol. Unlike central outdoor units, an outdoor unit for a compact ac unit is small and quiet. Form a drip loop in the wire to prevent water from entering the unit along the cord.

Unlike central outdoor units, an outdoor unit for a compact ac unit is small and quiet. Second if you don't have the installation manual (that also includes a wiring diagram for most cases), i'd contact trane at trane ac 6200 troup highway tyler, tx 75707 www.trane.com. When properly positioned, a multi unit air conditioner indoor units can easily cool an entire house. Wire type plastic type plastic type 3.8 optional low temperature cooling module. The main power is supplied to the outdoor unit.

Carrier Air Handler Parts Diagram Crazypurplemama
Carrier Air Handler Parts Diagram Crazypurplemama from i.pinimg.com
The field supplied 14/3 stranded wire with ground with a 600 volt insulation rating, power/communication wiring from the outdoor unit to indoor unit consists of four (4) wires and provides the power for the indoor unit. Connect the wires to the terminals according to the wiring diagram shown at the back of the service cover. That roundish piece of equipment that sits outside on the ground that. Wire type plastic type plastic type 3.8 optional low temperature cooling module. Read this manual carefully before installing or operating your new air conditioning unit. I need a wiring diagram for an old ge/trane condenser unit. Rheem vs carrier gainstorming co. Ac and heat pump thermostat wiring sezeriya com.

Carrier doas (dedicated outdoor air systems) are designed to provide ventilation for the.

Heat pump and air handler sevenx co. From the thousand photos on the net in relation to carrier split ac wiring diagram, we choices the best choices together with best quality exclusively for you, saved by gangadhar kumar. 3 870 310 85 (1 852 349 45). Fan center for older furnaces. Goodman heat pump package unit wiring diagram new janitrol. Customer reply replied 8 years ago. Second if you don't have the installation manual (that also includes a wiring diagram for most cases), i'd contact trane at trane ac 6200 troup highway tyler, tx 75707 www.trane.com. The field supplied 14/3 stranded wire with ground with a 600 volt insulation rating, power/communication wiring from the outdoor unit to indoor unit consists of four (4) wires and provides the power for the indoor unit. Ask your own hvac question. In this refrigeration cycle diagram the air conditioner condenser is air cooled condenser. The main power is supplied to the outdoor unit. Digital inverter outdoor unit installation manual warning • when the air conditioner cannot cool or heat a room well, contact the dealer from whom you purchased the air conditioner as refrigerant leakage is considered as the cause. 57 judicious carrier heat pumps troubleshooting.

From the thousand photos on the net in relation to carrier split ac wiring diagram, we choices the best choices together with best quality exclusively for you, saved by gangadhar kumar. 3.9 r410a environment friendly refrigerant. 3.7 optional air outlet grille: Carefully refer to the wiring diagram and these instructions when. Manual oa damper manual outdoor air dampers are an economical way to bring in ventilation air.

3 Ton Central Air Conditioner 36000 Btu Ac System
3 Ton Central Air Conditioner 36000 Btu Ac System from www.thermospace.com
Goodman heat pump package unit wiring diagram new janitrol. Fan center for older furnaces. That roundish piece of equipment that sits outside on the ground that. Form a drip loop in the wire to prevent water from entering the unit along the cord. Carefully refer to the wiring diagram and these instructions when. Heat pump and air handler sevenx co. Unlike central outdoor units, an outdoor unit for a compact ac unit is small and quiet. From the thousand photos on the net in relation to carrier split ac wiring diagram, we choices the best choices together with best quality exclusively for you, saved by gangadhar kumar.

3.9 r410a environment friendly refrigerant.

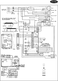
The condenser units are located outdoor with the compressor. (the air purge refrigerant is not contained in the outdoor unit.) electrical wiring • be sure to fix the power wires and indoor/outdoor connecting wires with clamps so that they do not come into contact with the cabinet, etc. Low voltage wiring diagrams thermidistat control. • do not use refrigerant charged in the outdoor unit to purge air. I need a wiring diagram for an old ge/trane condenser unit. Click on the image to enlarge and then save it to your computer by right clicking on the image. In any central air conditioning unit we will have five basic mechanical components. Heat pump and air handler sevenx co. Fan center for older furnaces. 3 phase air conditioning wiring diagram wiring diagram. 38yda 2 speed heat pump unit wiring diagrams manualzz com. Read this manual carefully before installing or operating your new air conditioning unit. Need a wiring diagram for a carrier air conditioner/heater!

The condenser units are located outdoor with the compressor. Carefully refer to the wiring diagram and these instructions when. That roundish piece of equipment that sits outside on the ground that. 57 judicious carrier heat pumps troubleshooting. Carrier air handler wiring diagram download.

Carrier Split Ac Wiring Diagram
Carrier Split Ac Wiring Diagram from i0.wp.com
Heat pump and air handler sevenx co. 3.6 universal outdoor unit design. Plastic type and wire type. I need a wiring diagram for an old ge/trane condenser unit. The condenser houses several parts. (the air purge refrigerant is not contained in the outdoor unit.) electrical wiring • be sure to fix the power wires and indoor/outdoor connecting wires with clamps so that they do not come into contact with the cabinet, etc. Single phase split ac indoor outdoor wiring diagram.an air conditioner is a system or a machine that treats air in a defined usually enclosed area via a ref. Cae075 cae090 63 75 ton ashrae efficient 3 phase r22 split system ac specifications.

3.6 universal outdoor unit design.

Carrier doas (dedicated outdoor air systems) are designed to provide ventilation for the. Ae2mi40ah ae2mi56ahb ae3mi68ah ae4mi80ah capacity 4.0kw 5.6kw 6.8kw 8.0kw product code no. 57 judicious carrier heat pumps troubleshooting. Connect the wires to the terminals according to the wiring diagram shown at the back of the service cover. Collection of goodman ac unit wiring diagram. Carrier ac outdoor unit wiring diagram. Moreover, the heat source for a basic ac system can include heat strips for electric heat or even a hot water coil inside the. First i'd look inside the covers as often the condenser includes a wiring diagram. Basic electrical wiring ac wiring house wiring electrical engineering hvac air conditioning refrigeration and air conditioning outlet wiring split ac wbc. Rheem vs carrier gainstorming co. Quick video stepping you through how to wire a typical 220v ac condenser unit. The field supplied 14/3 stranded wire with ground with a 600 volt insulation rating, power/communication wiring from the outdoor unit to indoor unit consists of four (4) wires and provides the power for the indoor unit. Goodman heat pump package unit wiring diagram new janitrol.

Make sure to save this manual for future reference outdoor ac unit wiring. Customer reply replied 8 years ago.